Technical Information

MXm Legends
Technical Information


Model

MXm Legends Tech Spec
MXm Legends

Overview

The Aim MXm display has been designed to specifically suit Legends race cars, 2018 onwards fitted with 3 cylinder Yamaha FZ09 engine.

Key Features

  • ECU connection
  • 2 speed inputs
  • 4 analogue inputs
  • 2 digital high side output
  • Up to 8 configurable display pages
  • Integrated GPS + Glonass receiver
  • A huge tracks database to automatically select the track you are racing on
  • A powerful and comportable Wi-Fi connection
  • 10 RGB LEDs that clearly show if you are improving or not
  • A huge amount of internal memory (four gigabytes) capable of recording a lot of tests

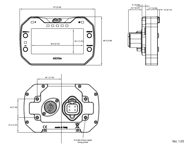
Size & Weight

  • Dimensions: 137 x 88.4 x 31.9 mm
  • Weight: 330g

Waterproof

  • IP 65

In The Box

  • MXm Dash Display
  • 37 pins connector harness for Legends Cars
  • 4 pins secondary connector kit for power output connection ( up to 15a each
  • Mini USB cable for PC connection

Technical

  • Ambient Light sensor: Yes
  • Shift Lights: 5 configurable RGB LEDs
  • Alarm LEDs: 2 configurable RGB LEDs
  • CAN connections: 2
  • ECU connection: CAN, RS232 or K-Line to 1,000+ industry leading ECUs
  • GPS: Integrated
  • External modules: Lambda Controller, SmartyCam HD
  • Analogue inputs: 4 fully configurable, max 500 Hz each
  • Digital inputs: 2 speed inputs, coil RPM input
  • Digital outputs: 2 high-side
  • WiFi: connection
  • Internal memory: 4 GB
  • Body: Glass fibre reinforced Nylon
  • Pushbuttons: Metallic
  • Connectors: 37 pins Motorsport connector + 4 pins power connector

Display

  • Resolution: 268 x 128 pixels
  • Backlight: 8 configurable RGB colours

Diagram


Have more questions?
Need help with installation?
Call us Email us