Technical Information

Strada Kit
Technical Information


Model

Strada Kit
Strada kit

Overview

With the Aim MX Strada Logger Kit, you can turn any MX Strada into a fully working logger. No configurations just plug it in and you're ready to go.


Key Features

  • Turn any MX Strada dash into a fully working logger
  • 4-way data hub
  • GPS09 Module
  • Memory module

In The Box

  • Strada Logger
  • Four-Way Data Hub
  • GPS09 Module

Technical

Strada Logger

  • Max power consumption: 50 mA
  • Cable length: 40cm
  • SD Card: supports up to 32GB (not included)
  • Dimensions: 55.5 x 78.3 x 18mm
  • Weight: 103g
  • Waterproof: IP65

Four-Way Data Hub

  • Dimensions: 123 x 30 x 23.5mm
  • CAN Cable Length: 40cm
  • Weight: 97g
  • Waterproof: IP65

GPS09 Module

  • Dimensions: 64.8 x 53.2 x 19.7mm
  • Weight: 60.5g

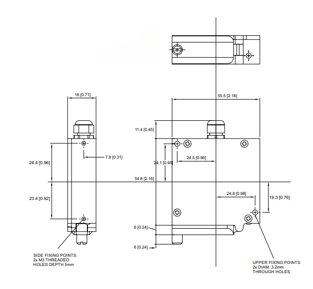
Strada Logger
Diagram

Strada Logger diagram

Four-way Data Hub
Diagram

Four-way Data Hub diagram

GPS09 Module
Diagram

GPS09 Module diagram

Have more questions?
Need help with installation?
Call us Email us